网站首页
乐竞(中国)一站式体育服务
企业介绍
组织架构
企业荣誉
领导关怀
新闻动态
乐竞官网新闻
政策要闻
党建工作
组织架构
党建阵地
党群活动
工青妇
荣誉鼓励
信息公开
水质检测报告
环境信息公开
职位招聘
通知公告
联系我们
电话地址
意见箱
总经理信箱
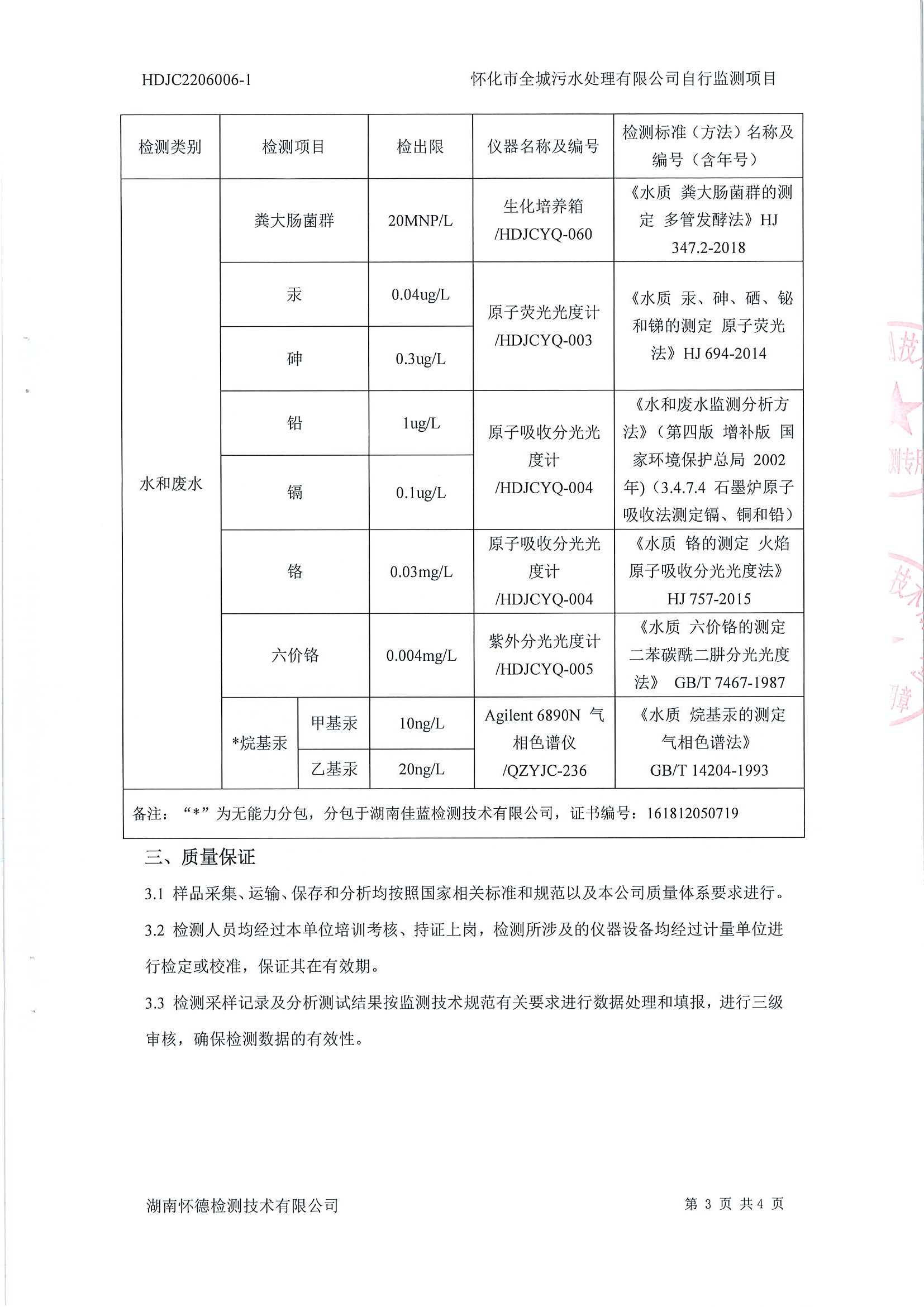
怀德检测 2022年6月 污水检测报告
2022-07-04 11:33:57
上一篇:
湖南怀德检测技术有限乐竞官网 2024年12月 污水出水检测报告
下一篇:
怀德检测 2022年5月 污水检测报告
开云足球
|
华体会网页版页面登录
|
leyu·乐鱼(中国)体育官方网站
|
米兰官方网页版
|
乐动网页版登录入口_乐动(中国)
|
MK体育·(国际)官方网站-mksport
|
九游网页版
|
开云官方网页版
|
星空在线登录
|